紧急下架!Keith新代理浮世绘和服少女版权画,烘干机套件专利+国人原告手表壳维权同步来袭!
AI设计/3D打印/欧洲市场实战拆解,点击报名


Haruyo Morita 版权画


品牌介绍



注册版权
下面是原告的注册版权图,版权号为:VA 2-412-828; VA 2-411-764; VA 2-413-783; VA 2-411-853; VA 2-414-773; VA 2-411-852; VA 2-412-837; VA 2-414-775; VA 2-414-776; VA 2-414-770; VA 2-414-777; VA 2-414-771; VA 2-411-855; VA 2-411-856; VA 2-413-778; VA 2-413-781; VA 2-414-774; 和 VA 2-414-778




刊登举例
未经授权,原告的注册版权图是不能随便使用的!大家注意排查!



Watch case 手表保护壳


品牌介绍
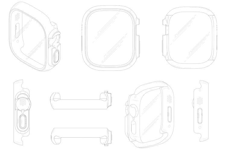
原告QUAN REN and KUI CAO是中国人,也是本案维权专利的所有者,手表保护壳可保护您的手表免受跌落、碰撞、刮擦和日常佩戴。


注册专利
下面是原告的注册专利信息




BetterVent 烘干机通风套件


品牌介绍
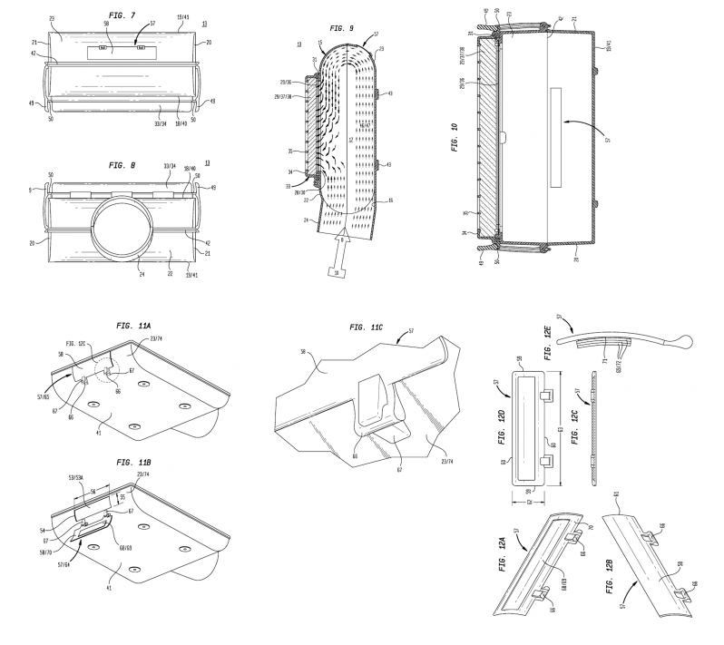
原告ADR Products LLC是一家在俄亥俄州成立的有限责任公司。原告他们公司主要销售室内干衣机通风口及相关组件。主要是通过亚马逊的店铺以及他们自己的官网进行着相关产品的销售。他们的专为电动烘干机设计,而且易于清洁和维护,并通过其双过滤系统过滤电动烘干机的废气,不含棉绒灰尘。还能保护室内空气质量并节省能源。
产品官网:https://adr-products.com



注册专利
以下是原告的注册专利信息






刊登举例
以下是原告产品官网的刊登,销售类似产品的卖家朋友主要仔细排查!





Haruyo Morita 版权画


品牌介绍



注册版权
下面是原告的注册版权图,版权号为:VA 2-412-828; VA 2-411-764; VA 2-413-783; VA 2-411-853; VA 2-414-773; VA 2-411-852; VA 2-412-837; VA 2-414-775; VA 2-414-776; VA 2-414-770; VA 2-414-777; VA 2-414-771; VA 2-411-855; VA 2-411-856; VA 2-413-778; VA 2-413-781; VA 2-414-774; 和 VA 2-414-778




刊登举例
未经授权,原告的注册版权图是不能随便使用的!大家注意排查!



Watch case 手表保护壳


品牌介绍
原告QUAN REN and KUI CAO是中国人,也是本案维权专利的所有者,手表保护壳可保护您的手表免受跌落、碰撞、刮擦和日常佩戴。


注册专利
下面是原告的注册专利信息




BetterVent 烘干机通风套件


品牌介绍
原告ADR Products LLC是一家在俄亥俄州成立的有限责任公司。原告他们公司主要销售室内干衣机通风口及相关组件。主要是通过亚马逊的店铺以及他们自己的官网进行着相关产品的销售。他们的专为电动烘干机设计,而且易于清洁和维护,并通过其双过滤系统过滤电动烘干机的废气,不含棉绒灰尘。还能保护室内空气质量并节省能源。
产品官网:https://adr-products.com



注册专利
以下是原告的注册专利信息






刊登举例
以下是原告产品官网的刊登,销售类似产品的卖家朋友主要仔细排查!








其他
04-09 周四











